Description
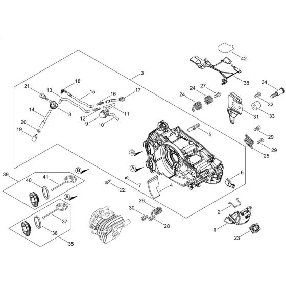
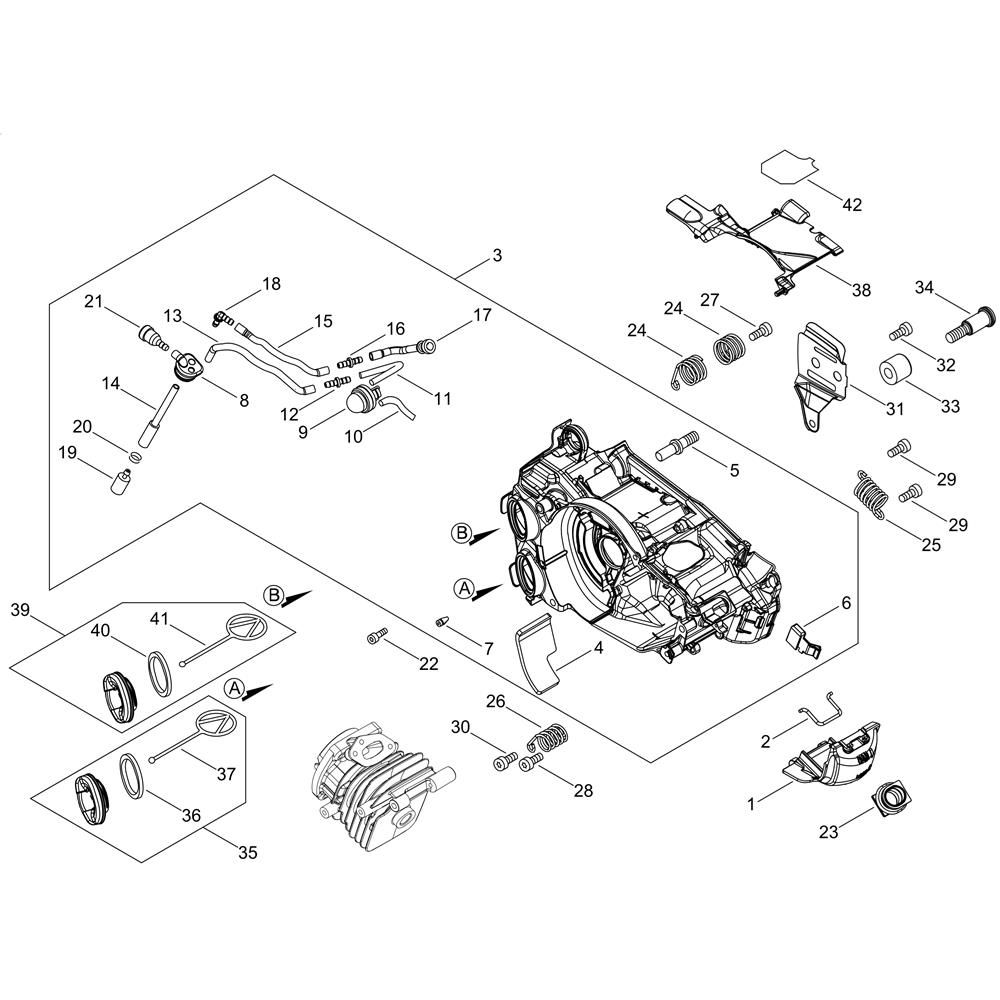
The Engine Cover for the Shindaiwa 251TS Chainsaw is designed to protect the engine from debris and damage during operation. This cover is essential for maintaining the chainsaw's performance and longevity. Available in both genuine and non-genuine parts, it ensures a secure fit and reliable protection for your equipment.
Reviews
Add a review
Write Your Own Review
Ask a Question
Customer Questions

