Description
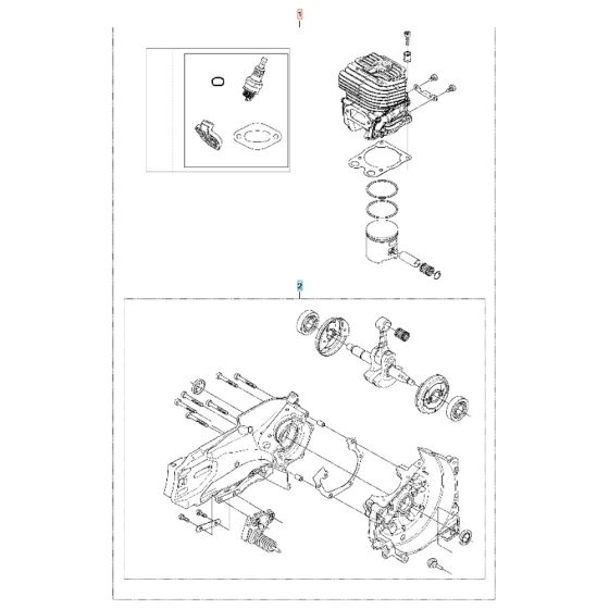
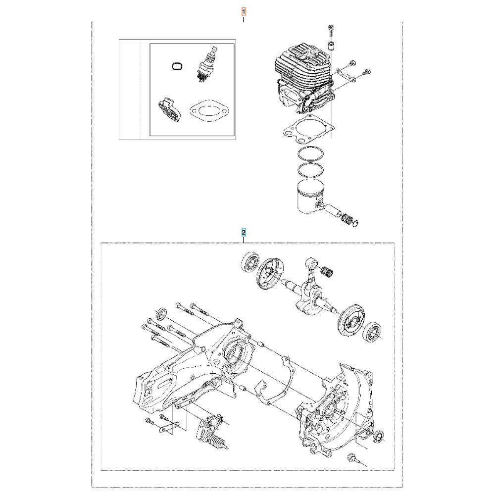
The engine for the Husqvarna K770 Disc Cutter is designed to deliver reliable power and performance. This assembly includes various components essential for maintaining the cutter's efficiency and longevity. Genuine and non-genuine parts are available, ensuring compatibility and choice for repairs and maintenance. Key components may include pistons, gaskets, and crankshafts.
Reviews
Add a review
Write Your Own Review
Ask a Question
Customer Questions

