Description
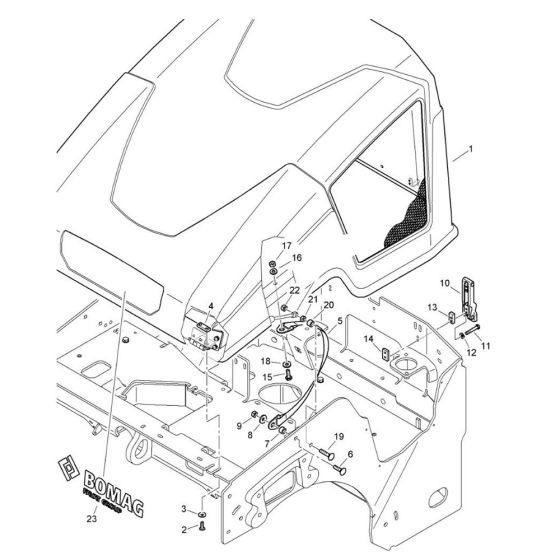
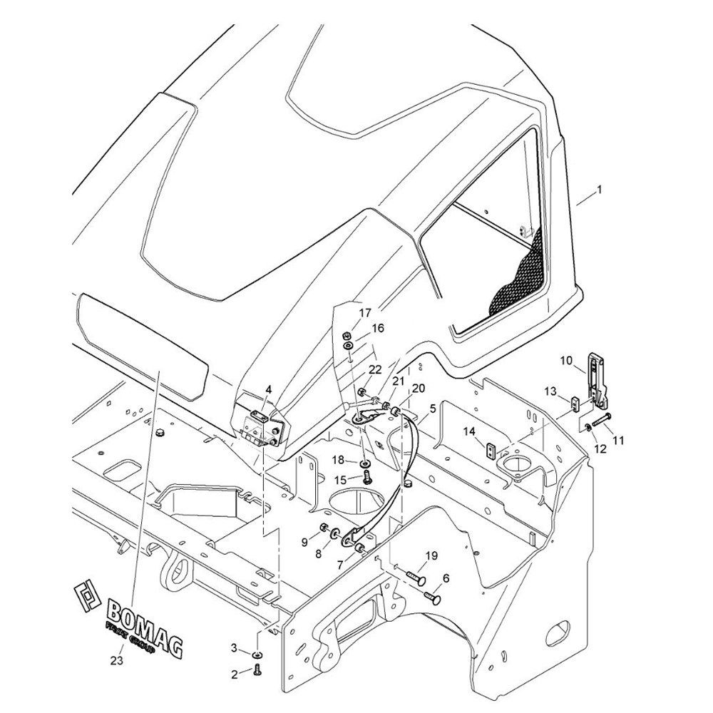
The Engine Hood Assembly for the Bomag BW 120 AD-5 CC Roller is designed to protect the engine and other critical components from environmental elements. This assembly ensures optimal performance and longevity of the roller by safeguarding against dust, debris, and weather conditions. Genuine Bomag parts ensure compatibility and reliability.
Reviews
Add a review
Write Your Own Review
Ask a Question
Customer Questions

