Description
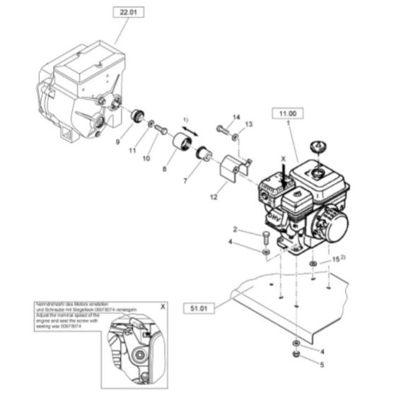
The Engine Unit and Mounts for the Bomag BW 55E Single Vibratory Roller are essential for maintaining optimal machine performance. These components ensure the engine is securely positioned, reducing vibration and wear. Available in genuine and non-genuine options, they are crucial for reliable operation and longevity of the equipment.
Reviews
Add a review
Write Your Own Review
Ask a Question
Customer Questions

