Description
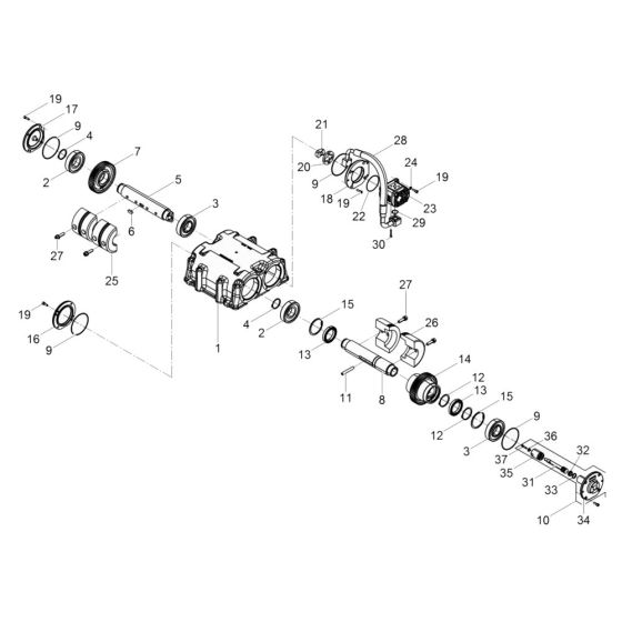
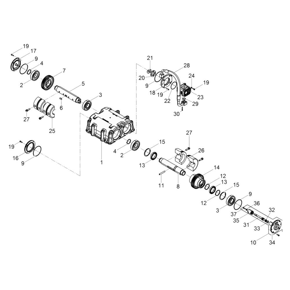
The Exciter Assembly for the Wacker DPU110 Plate Compactor is crucial for effective soil compaction. This assembly ensures optimal vibration and performance, enhancing the machine's efficiency. It includes components such as bearings, shafts, and seals, all designed to withstand the rigours of heavy-duty use. Genuine Wacker Neuson parts ensure reliability and longevity.
Reviews
Add a review
Write Your Own Review
Ask a Question
Customer Questions

