Description
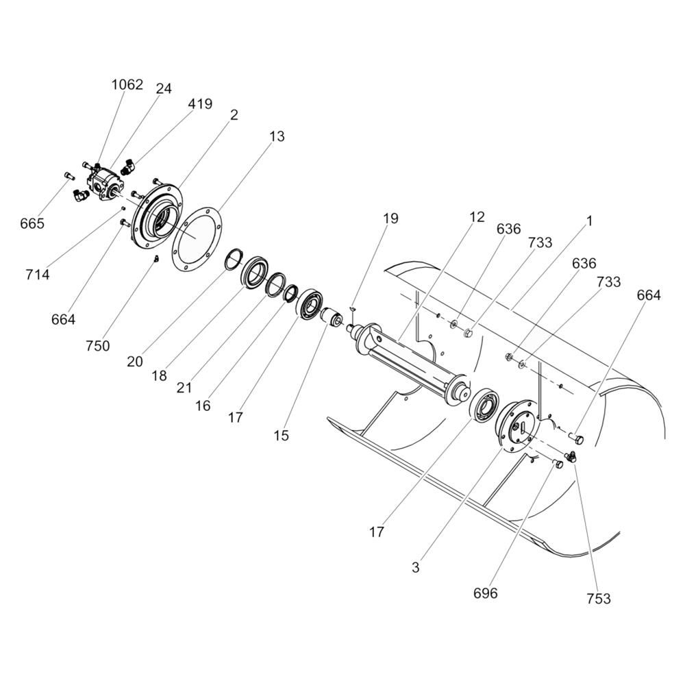
The Exciter Assembly for the Wacker RD12 Roller is crucial for optimal compaction performance. This assembly includes components that generate the necessary vibrations to compact surfaces effectively. Genuine Wacker Neuson parts ensure compatibility and durability, maintaining the roller's efficiency and longevity. Essential for routine maintenance and repair.
Reviews
Add a review
Write Your Own Review
Ask a Question
Customer Questions

