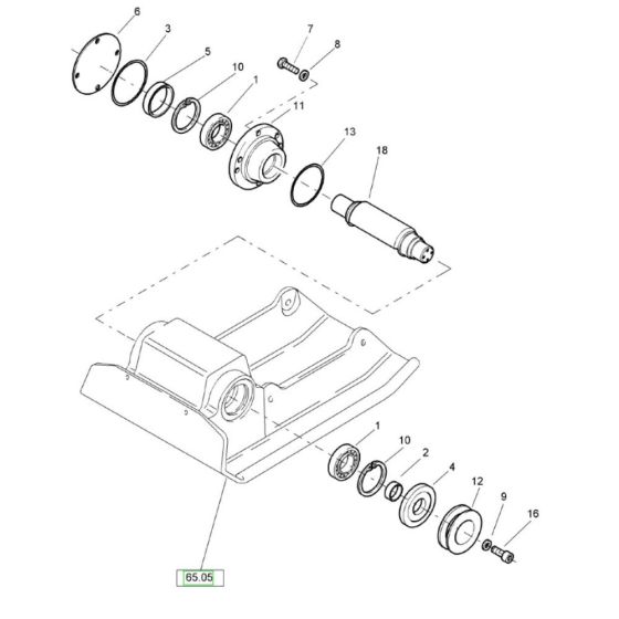
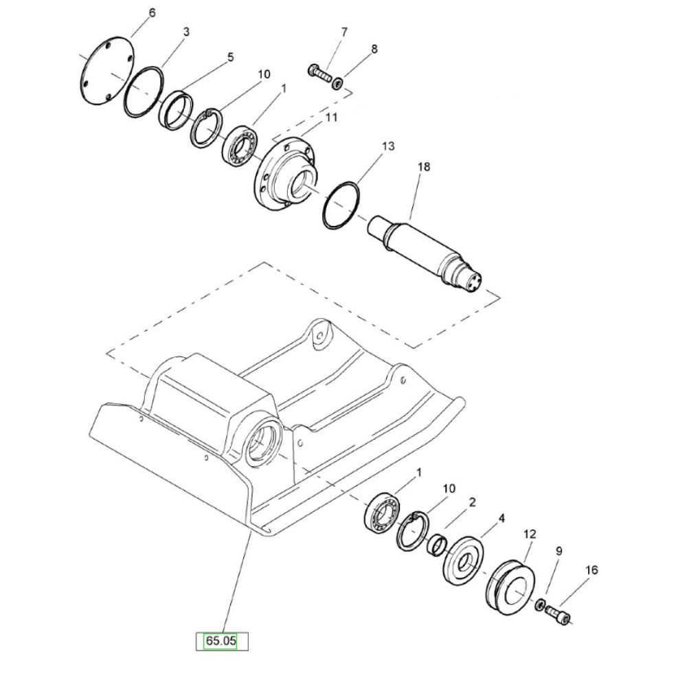
Description
The Exciter Unit Assembly for Bomag BP 25/48 Compactors is essential for optimal machine performance. This assembly includes key components designed to enhance vibration and compaction efficiency. Genuine Bomag parts ensure durability and reliability, contributing to the longevity of your equipment. Suitable for routine maintenance and repair tasks.
Reviews
Add a review
Write Your Own Review
Ask a Question
Customer Questions

