Description
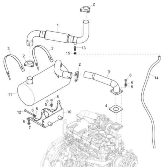
The Exhaust Assembly for the Wacker ET65 Mini Excavator is designed to ensure optimal engine performance and reduce emissions. This assembly includes components like pipes, gaskets, and clamps, which are crucial for directing exhaust gases safely away from the engine. Genuine Wacker Neuson parts ensure compatibility and reliability, maintaining the excavator's efficiency and longevity.
Reviews
Add a review
Write Your Own Review
Ask a Question
Customer Questions

