Description
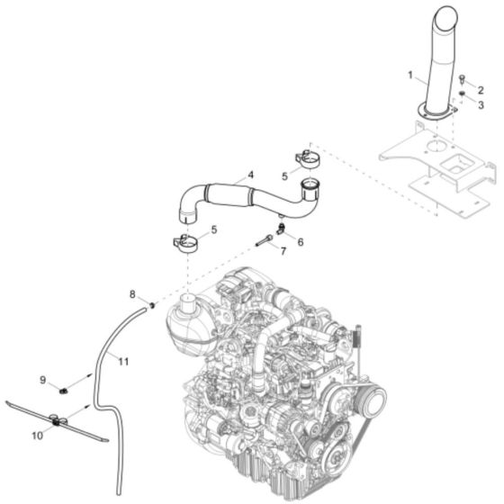
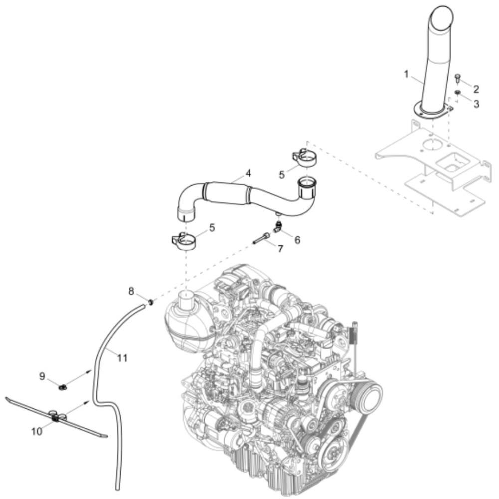
The Exhaust (904J-E28T) Assembly for the Wacker ET90 Mini Excavator is designed to ensure optimal performance and longevity. This assembly includes components such as pipes, gaskets, and clamps, which work together to efficiently expel exhaust gases and reduce engine noise. Genuine Wacker Neuson parts ensure compatibility and reliability, maintaining the excavator's efficiency and compliance with emission standards.
Reviews
Add a review
Write Your Own Review
Ask a Question
Customer Questions

