Description
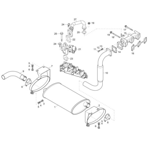
The Exhaust Assembly for the Wacker EZ38 Mini Excavator is designed to ensure optimal performance and efficiency. This assembly plays a crucial role in directing exhaust gases away from the engine, reducing noise and emissions. It includes components such as mufflers, pipes, and gaskets, all tailored to fit the Wacker Neuson model precisely.
Reviews
Add a review
Write Your Own Review
Ask a Question
Customer Questions

