Description
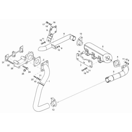
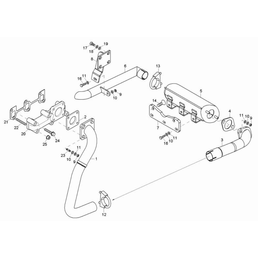
The Exhaust Assembly for the Wacker TD15-3S Track Dumper is designed to ensure optimal performance and efficiency. This assembly helps in directing exhaust gases safely away from the engine, reducing noise and emissions. Components typically include mufflers, pipes, and gaskets, all crucial for maintaining the dumper's operational integrity.
Reviews
Add a review
Write Your Own Review
Ask a Question
Customer Questions

