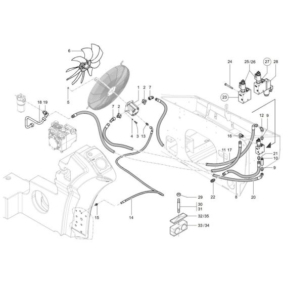
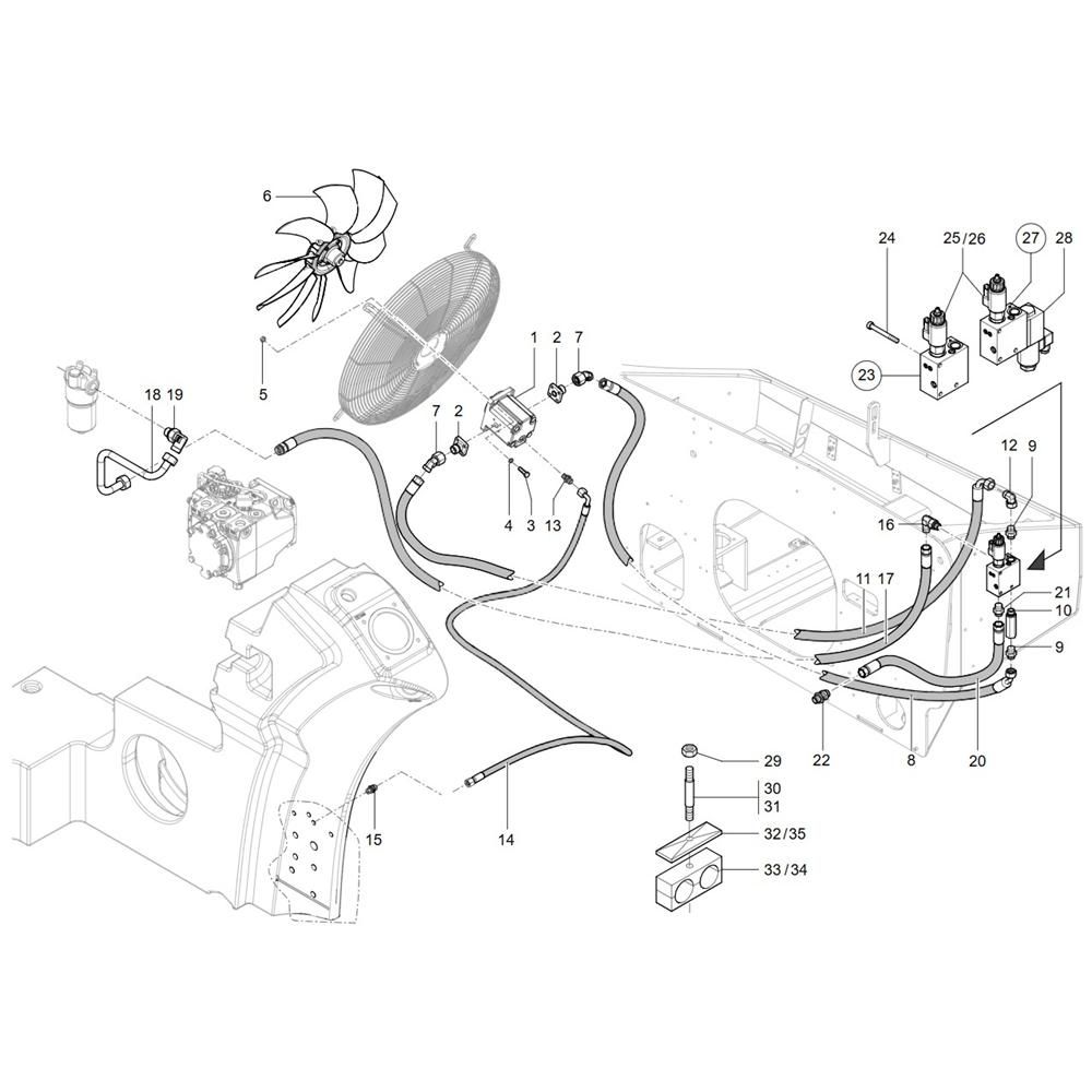
Description
The Fan Drive Assembly for the Wacker TH735 (415-06) Telehandler is crucial for maintaining optimal engine temperature and performance. This assembly includes components such as belts, pulleys, and fans, ensuring efficient cooling and reliable operation. Designed specifically for the Wacker Neuson Telehandler, it helps prevent overheating and extends the machine's lifespan.
Reviews
Add a review
Write Your Own Review
Ask a Question
Customer Questions

