Description
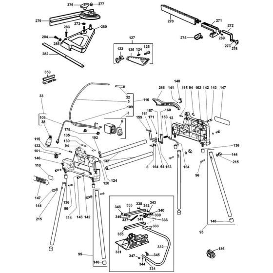
The Fence Assembly for the DeWalt DW743 Type 4 Combination Saw is a genuine DeWalt part designed to ensure precise cutting and alignment. This assembly is crucial for maintaining accuracy and stability during operation. Components typically include rails, brackets, and locking mechanisms, all engineered to fit seamlessly with the saw's design.
Reviews
Add a review
Write Your Own Review
Ask a Question
Customer Questions

