Description
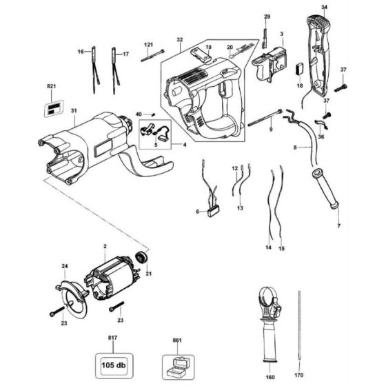
The Field Assembly for the DeWalt D25213K Type 1 Rotary Hammer is crucial for maintaining the tool's performance. This assembly includes components that ensure efficient operation and longevity. Designed for easy integration, it helps in transferring power effectively within the tool. Available in both genuine and non-genuine parts, it supports various repair and maintenance needs.
Reviews
Add a review
Write Your Own Review
Ask a Question
Customer Questions

