Description
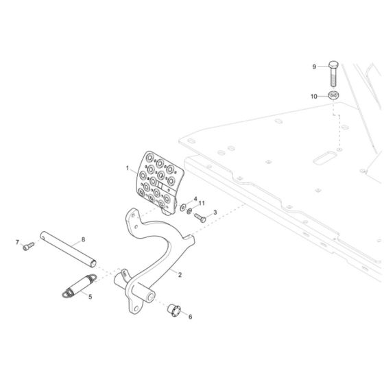
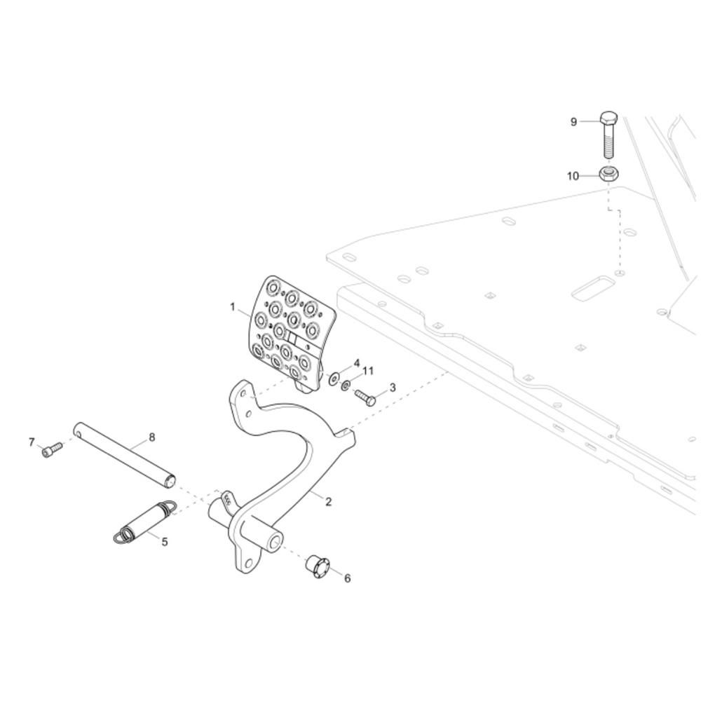
The Foot Brake Assembly for the Wacker Neuson DW90 Dumper is crucial for ensuring safe and effective braking performance. This assembly includes components such as brake pads, discs, and calipers, designed to provide reliable stopping power. Regular maintenance of these parts is essential for optimal operation and safety on site.
Reviews
Add a review
Write Your Own Review
Ask a Question
Customer Questions

