Description
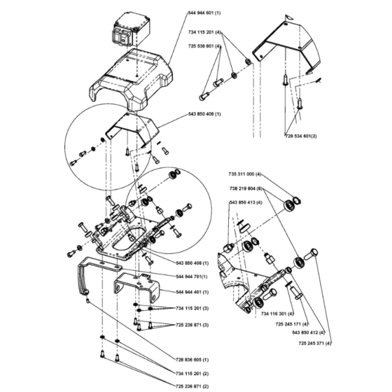
The Frame Assembly for the Husqvarna TS 73 R Masonry Saw is designed to support the saw's structure and ensure stability during operation. This assembly includes key components such as brackets, supports, and fasteners, which are essential for maintaining the saw's precision and durability. Genuine Husqvarna parts ensure compatibility and reliability.
Reviews
Add a review
Write Your Own Review
Ask a Question
Customer Questions

