Description
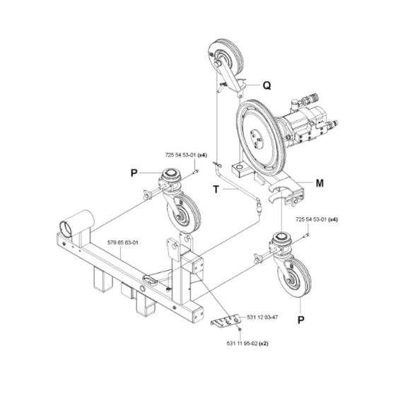
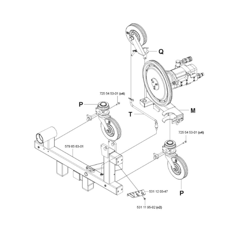
The Frame Assembly for the Husqvarna CS 2512 Wire Saw is designed to provide structural support and stability during cutting operations. This assembly includes key components such as brackets, fasteners, and tensioning systems, ensuring optimal performance and longevity. Genuine Husqvarna parts guarantee compatibility and reliability for demanding tasks.
Reviews
Add a review
Write Your Own Review
Ask a Question
Customer Questions

