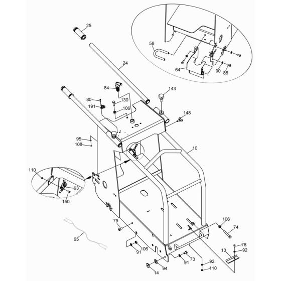
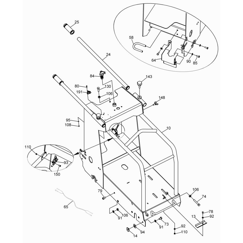
Description
The Frame Assembly for the Wacker BFS 20 Floor Saw is designed to support the machine's structure and ensure stability during operation. Essential for maintaining the saw's performance, this assembly includes components such as brackets, mounts, and fasteners. Genuine Wacker Neuson parts ensure compatibility and reliability, helping to extend the lifespan of your floor saw.
Reviews
Add a review
Write Your Own Review
Ask a Question
Customer Questions

