Description
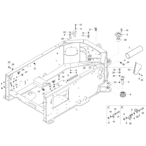
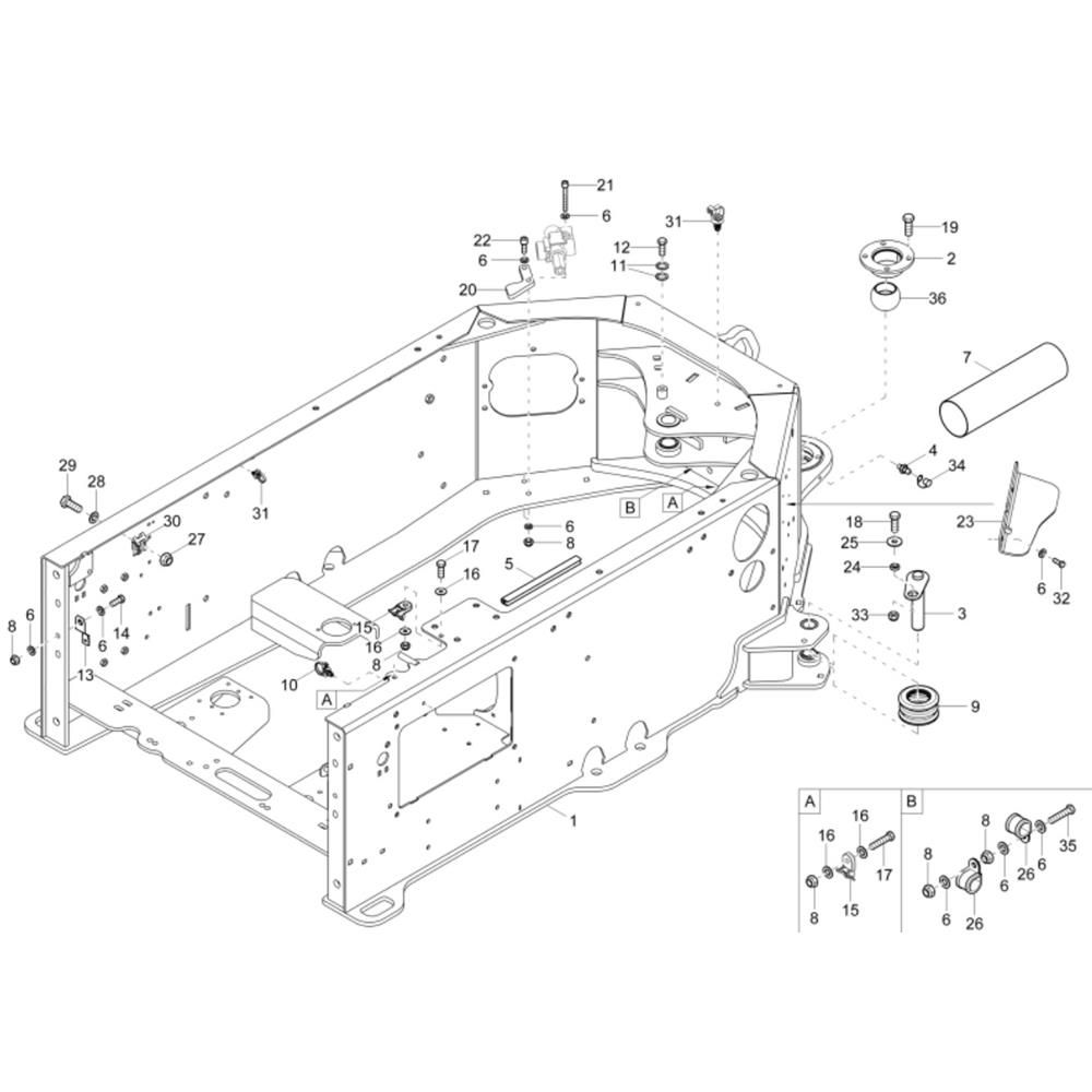
The Frame Drive Unit Assembly for the Wacker DW20 Dumper is crucial for maintaining the machine's operational efficiency. This assembly includes components like gears, shafts, and bearings, ensuring smooth power transmission and reliable performance. Designed for durability and compatibility, it supports the dumper's heavy-duty tasks and enhances its lifespan.
Reviews
Add a review
Write Your Own Review
Ask a Question
Customer Questions

