Description
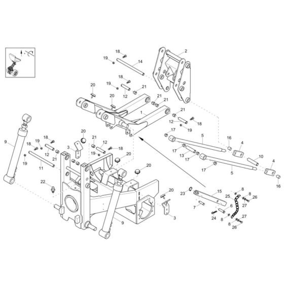
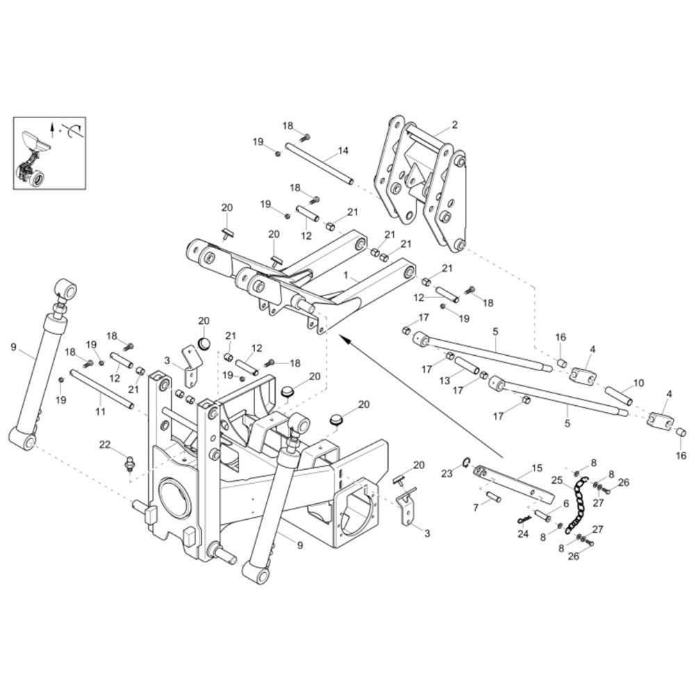
The Front Frame Assembly for the Neuson 1601 Dumper is crucial for maintaining the structural integrity and operational efficiency of the machine. This assembly includes various components such as brackets, mounts, and supports, designed to withstand the rigours of heavy-duty use. Ensuring proper fit and function, these parts are essential for the safe and reliable operation of your dumper.
Reviews
Add a review
Write Your Own Review
Ask a Question
Customer Questions

