Description
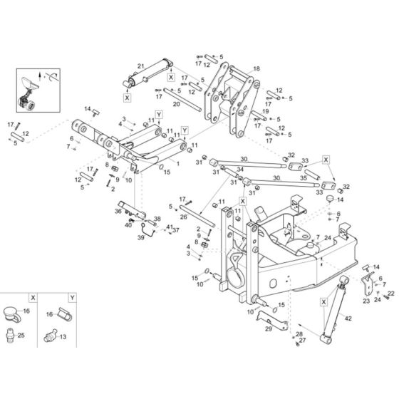
The Front Frame Assembly for the Wacker DW15e Dumper is crucial for maintaining the structural integrity and performance of the machine. This assembly includes components such as brackets, bolts, and support beams, ensuring the dumper operates smoothly and safely. Designed specifically for the Wacker DW15e model, it provides reliable support and durability in demanding environments.
Reviews
Add a review
Write Your Own Review
Ask a Question
Customer Questions

