Description
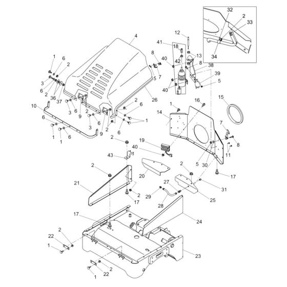
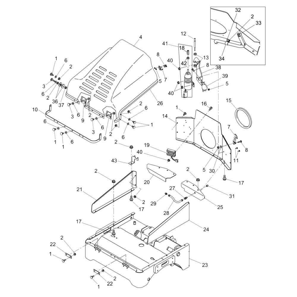
The Front Frame Assembly for the Wacker RD11 Roller is essential for maintaining the structural integrity and operational efficiency of the roller. This assembly includes key components such as the frame, brackets, and mounting hardware, ensuring stability and performance. Designed specifically for the Wacker Neuson Tandem Roller, it supports the machine's front-end operations, providing durability and reliability in various construction environments.
Reviews
Add a review
Write Your Own Review
Ask a Question
Customer Questions

