Description
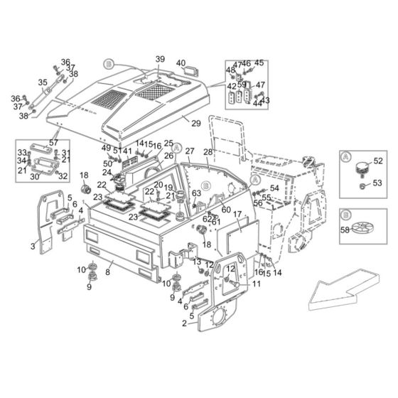
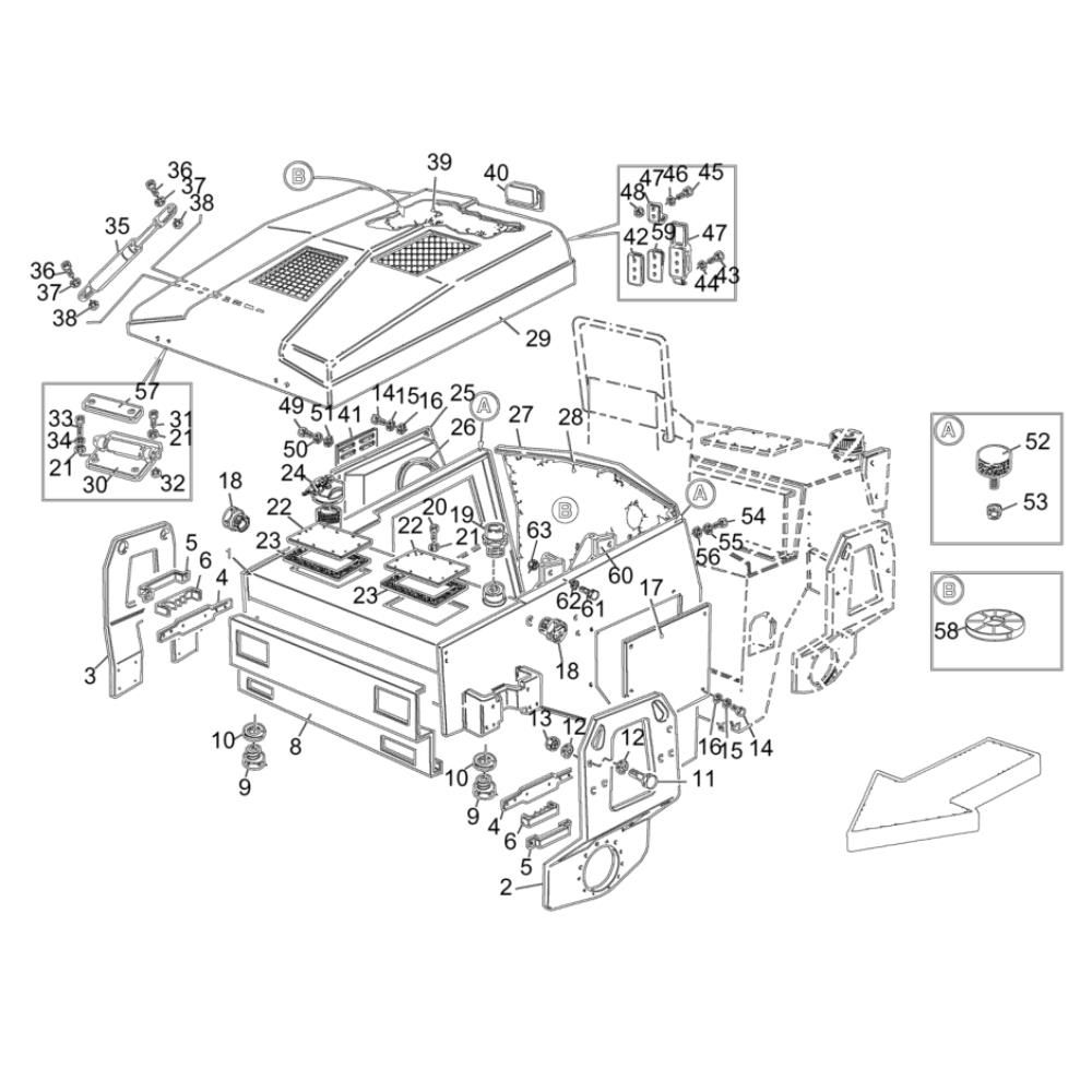
The Front Frame Assembly for the Wacker RD25 Roller is designed to ensure optimal performance and longevity of the machine. This assembly includes key components such as brackets, mounts, and fasteners, which are essential for the structural integrity and operation of the roller. Genuine Wacker Neuson parts ensure compatibility and reliability.
Reviews
Add a review
Write Your Own Review
Ask a Question
Customer Questions

