Description
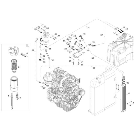
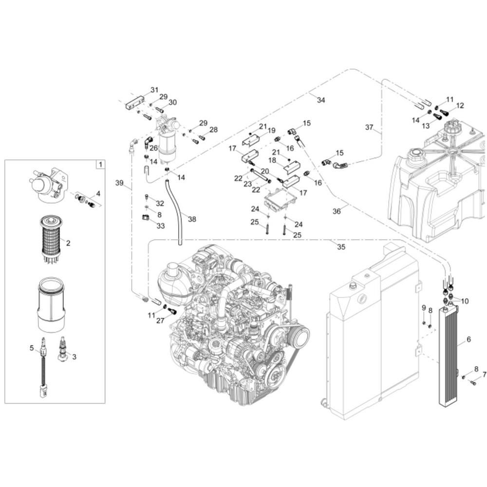
The Fuel Filter Assembly for the Wacker ET90 Mini Excavator is designed to ensure optimal engine performance by filtering out impurities from the fuel. This assembly includes essential components such as the filter element, housing, and seals, which work together to protect the engine from contaminants. Regular maintenance with genuine Wacker Neuson parts helps extend the life of your excavator.
Reviews
Add a review
Write Your Own Review
Ask a Question
Customer Questions

