Description
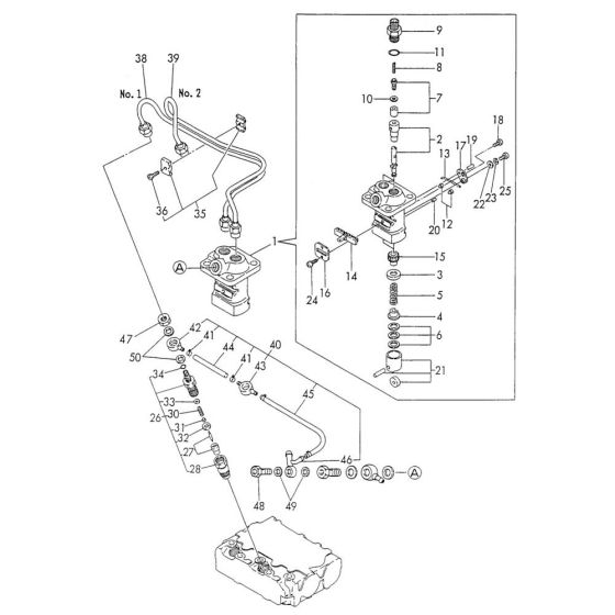
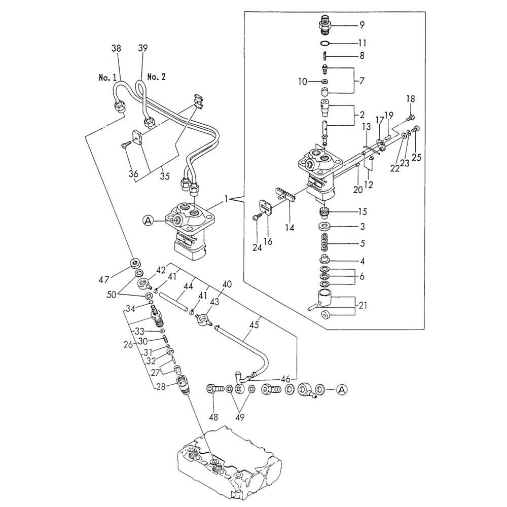
The Fuel Injection Pump Assembly for the Yanmar 2TN66L-UTBA Engine is crucial for delivering precise fuel amounts to the engine cylinders, ensuring optimal performance and efficiency. This assembly includes components such as pumps, nozzles, and seals, designed to maintain the engine's reliability and longevity. Genuine Yanmar parts guarantee compatibility and quality.
Reviews
Add a review
Write Your Own Review
Ask a Question
Customer Questions

