Description
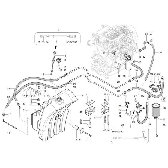
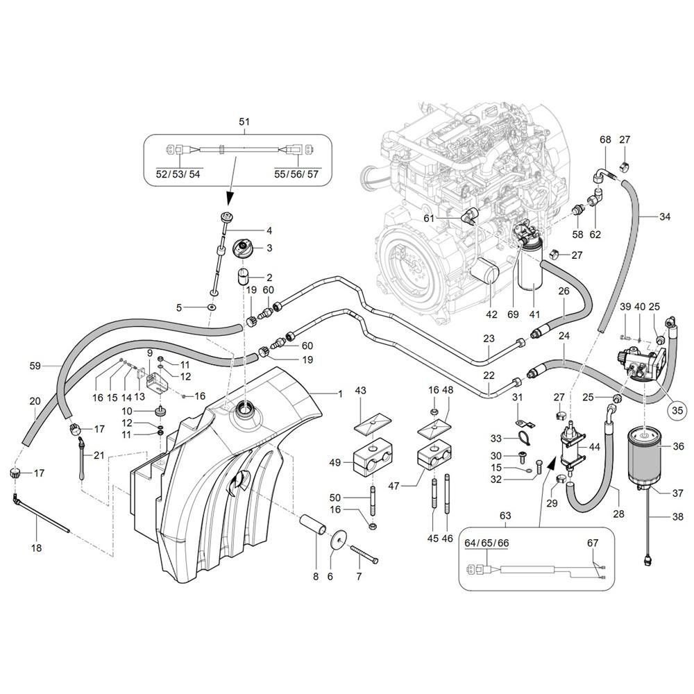
The Fuel System Assembly for the Wacker TH750 (416-18) Telehandler is designed to ensure efficient fuel delivery and optimal performance. This assembly includes components such as fuel pumps, filters, and injectors, which are crucial for maintaining engine reliability. Genuine Wacker Neuson parts ensure compatibility and durability, supporting the telehandler's demanding operations.
Reviews
Add a review
Write Your Own Review
Ask a Question
Customer Questions

