Description
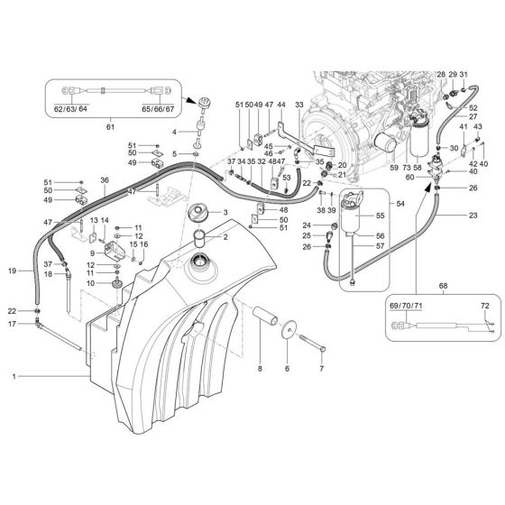
The Fuel System Assembly for the Wacker TH750 (416-38) Telehandler includes essential components to ensure efficient fuel delivery and engine performance. This assembly helps maintain the telehandler's reliability by providing clean and consistent fuel flow. Components may include fuel pumps, filters, hoses, and injectors, all designed to fit the Wacker Neuson model precisely.
Reviews
Add a review
Write Your Own Review
Ask a Question
Customer Questions

