Description
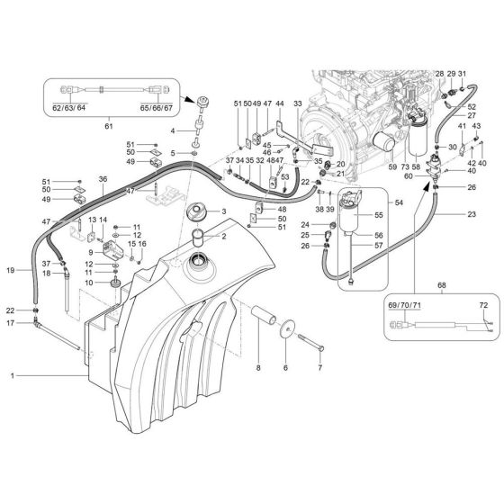
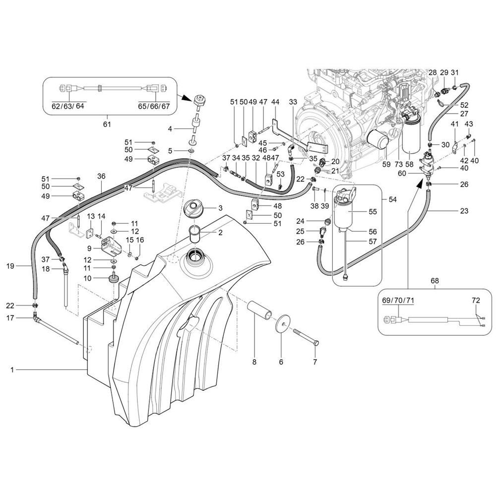
The Fuel Tank Assembly for the Wacker TH942 Telehandler is designed to ensure optimal fuel storage and delivery for efficient operation. This assembly includes components such as the tank, fuel lines, and fittings, which are essential for maintaining the telehandler's performance. Genuine Wacker Neuson parts ensure compatibility and reliability.
Reviews
Add a review
Write Your Own Review
Ask a Question
Customer Questions

