Description
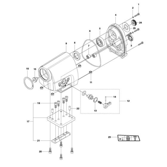
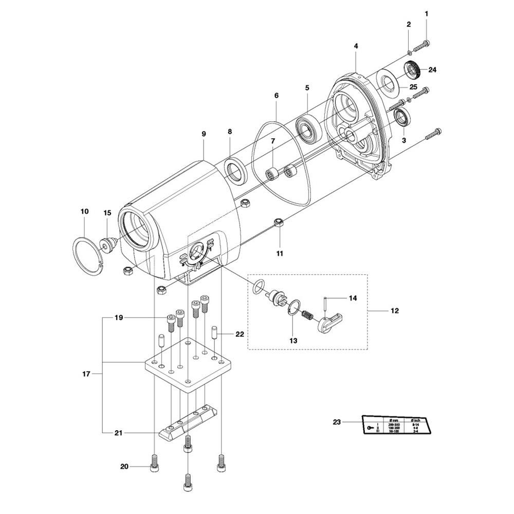
The Gearbox Assembly for the Husqvarna DM 280 Core Drill is essential for optimal performance and durability. It facilitates smooth operation by transferring power efficiently, ensuring precise drilling. This assembly includes key components such as gears, shafts, and bearings, designed to withstand the rigours of heavy-duty use. Ideal for maintaining the reliability and efficiency of your core drill.
Reviews
Add a review
Write Your Own Review
Ask a Question
Customer Questions

