Description
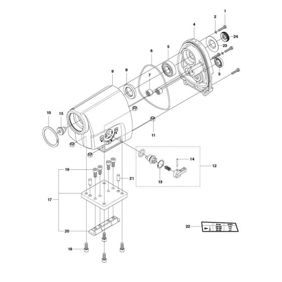
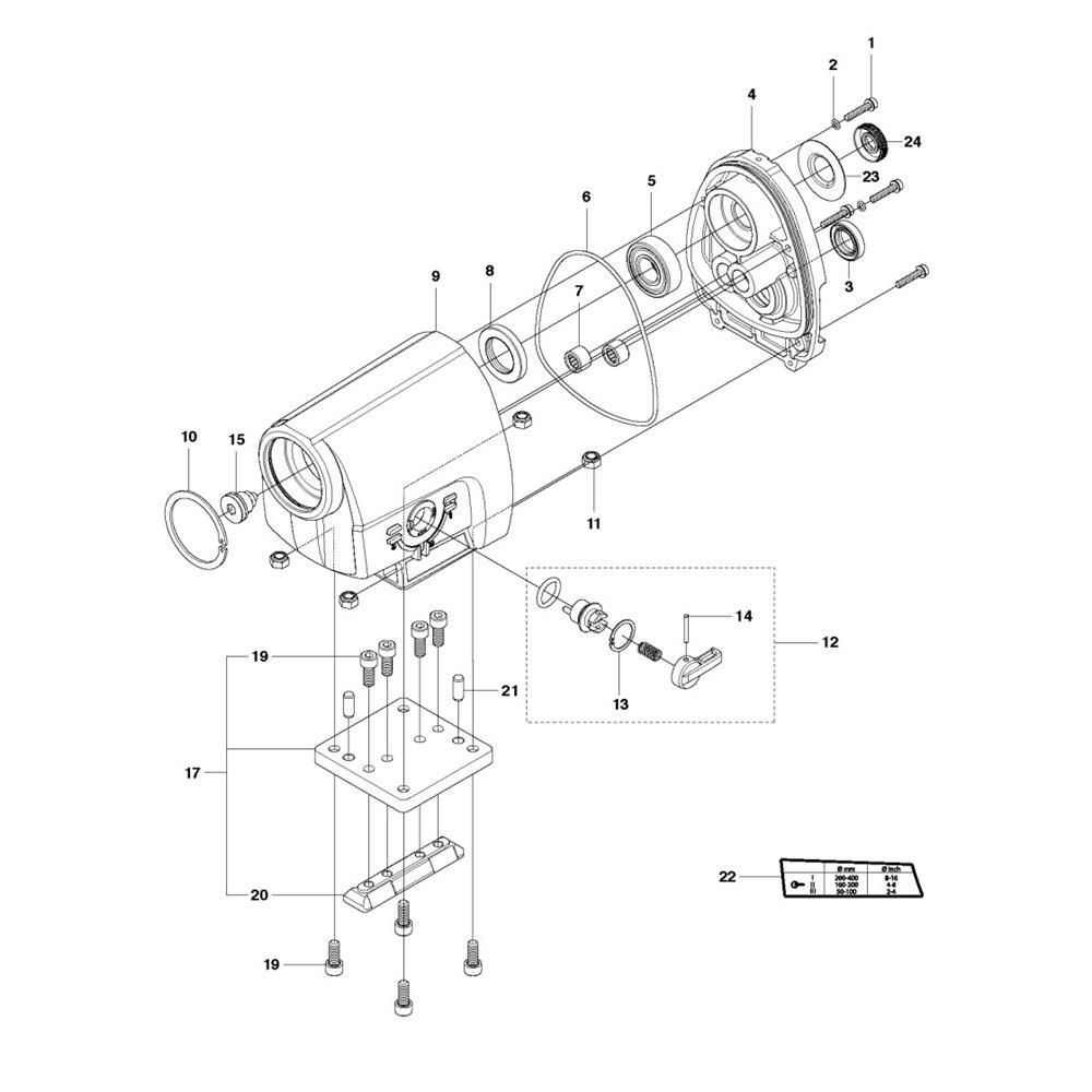
The Gearbox Assembly for the Husqvarna DM 340 Core Drill is designed to ensure optimal performance and durability. This assembly includes key components such as gears, shafts, and bearings, which work together to transfer power efficiently. Essential for maintaining the drill's functionality, it helps in achieving precise drilling results. Available in various configurations to suit different drilling needs.
Reviews
Add a review
Write Your Own Review
Ask a Question
Customer Questions

