Description
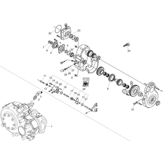
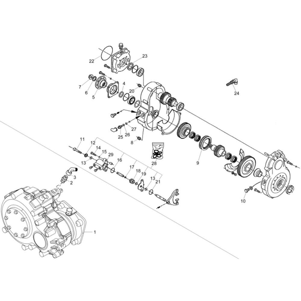
The Gearbox Assembly for the Wacker 9503 Excavator is designed to ensure optimal performance and durability. This assembly includes key components such as gears, shafts, and bearings, which are crucial for the smooth operation of the excavator. Regular maintenance with genuine parts helps in reducing wear and extending the service life of the machinery.
Reviews
Add a review
Write Your Own Review
Ask a Question
Customer Questions

