Description
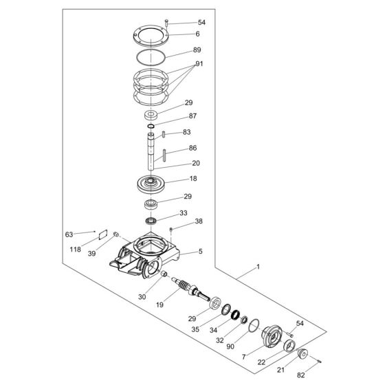
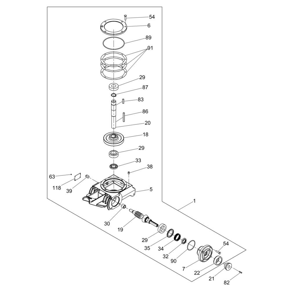
The Gearbox Assembly for the Wacker CT36-400E Trowel is essential for maintaining the efficiency and performance of your electric trowel. This assembly includes key components such as gears, shafts, and bearings, ensuring smooth operation and longevity. Genuine Wacker Neuson parts are designed for precise fit and function, supporting the trowel's ability to deliver consistent results on concrete surfaces.
Reviews
Add a review
Write Your Own Review
Ask a Question
Customer Questions

