Description
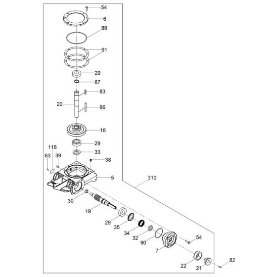
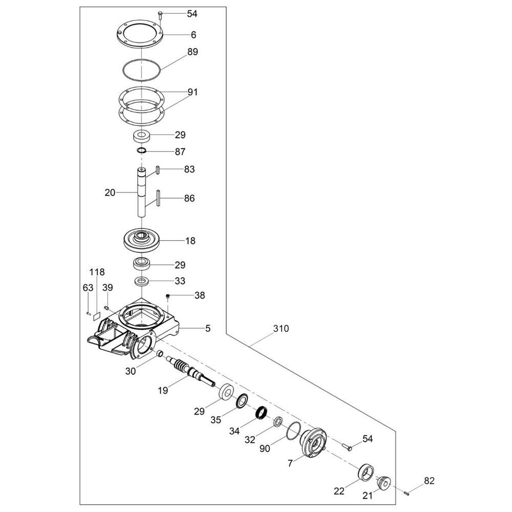
The Gearbox Assembly for the Wacker CT36-X Trowel is essential for optimal machine performance. This assembly ensures smooth operation and efficient power transfer during concrete finishing tasks. It includes key components such as gears, shafts, and bearings, designed to withstand rigorous use. Genuine Wacker Neuson parts guarantee compatibility and durability, making them ideal for maintenance and repair.
Reviews
Add a review
Write Your Own Review
Ask a Question
Customer Questions

