Description
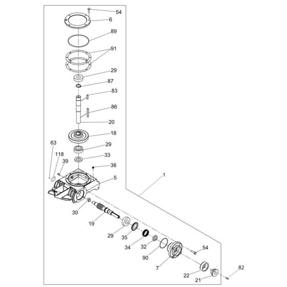
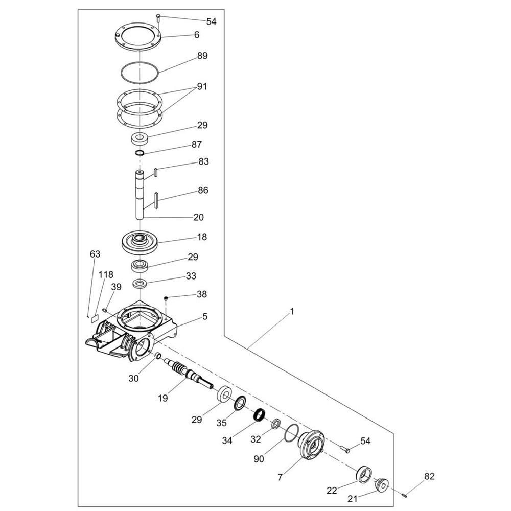
The Gearbox Assembly for the Wacker CT48-8 Trowel is essential for optimal performance and longevity of your walk-behind trowel. This assembly ensures efficient power transmission and smooth operation. It includes key components such as gears, shafts, and bearings, designed to withstand rigorous use. Genuine Wacker Neuson parts guarantee compatibility and reliability.
Reviews
Add a review
Write Your Own Review
Ask a Question
Customer Questions

