Description
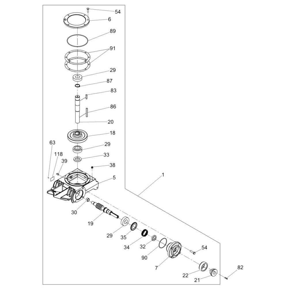
The Gearbox Assembly for the Wacker CT48-9 Trowel is crucial for optimal performance and longevity. This assembly includes key components such as gears, shafts, and bearings, ensuring smooth operation and efficient power transfer. Designed for the Wacker Neuson Walk-Behind Trowel, it aids in maintaining precise control and stability during concrete finishing tasks.
Reviews
Add a review
Write Your Own Review
Ask a Question
Customer Questions

