Description
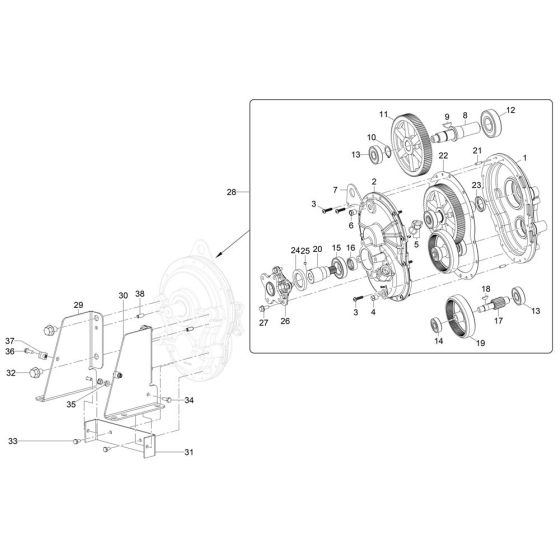
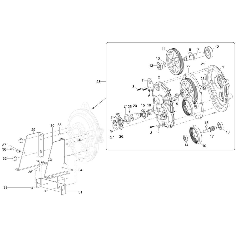
The Gearbox Assembly for the Wacker PDI2A Pump is crucial for efficient operation, ensuring smooth power transmission. This assembly includes key components such as gears, shafts, and seals, designed to withstand demanding conditions. Essential for maintaining the pump's performance, it helps in reducing wear and prolonging the lifespan of the equipment.
Reviews
Add a review
Write Your Own Review
Ask a Question
Customer Questions

