Description
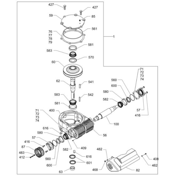
The Gearbox (Right) Assembly for the Wacker CRT 48-25 Trowel is essential for maintaining optimal performance in ride-on trowels. This assembly ensures smooth operation and efficient power transfer, crucial for concrete finishing tasks. Components include gears, shafts, and bearings, designed for durability and reliability. Suitable for routine maintenance and repair, it helps extend the lifespan of your equipment.
Reviews
Add a review
Write Your Own Review
Ask a Question
Customer Questions

