Description
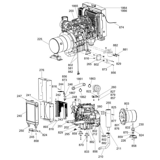
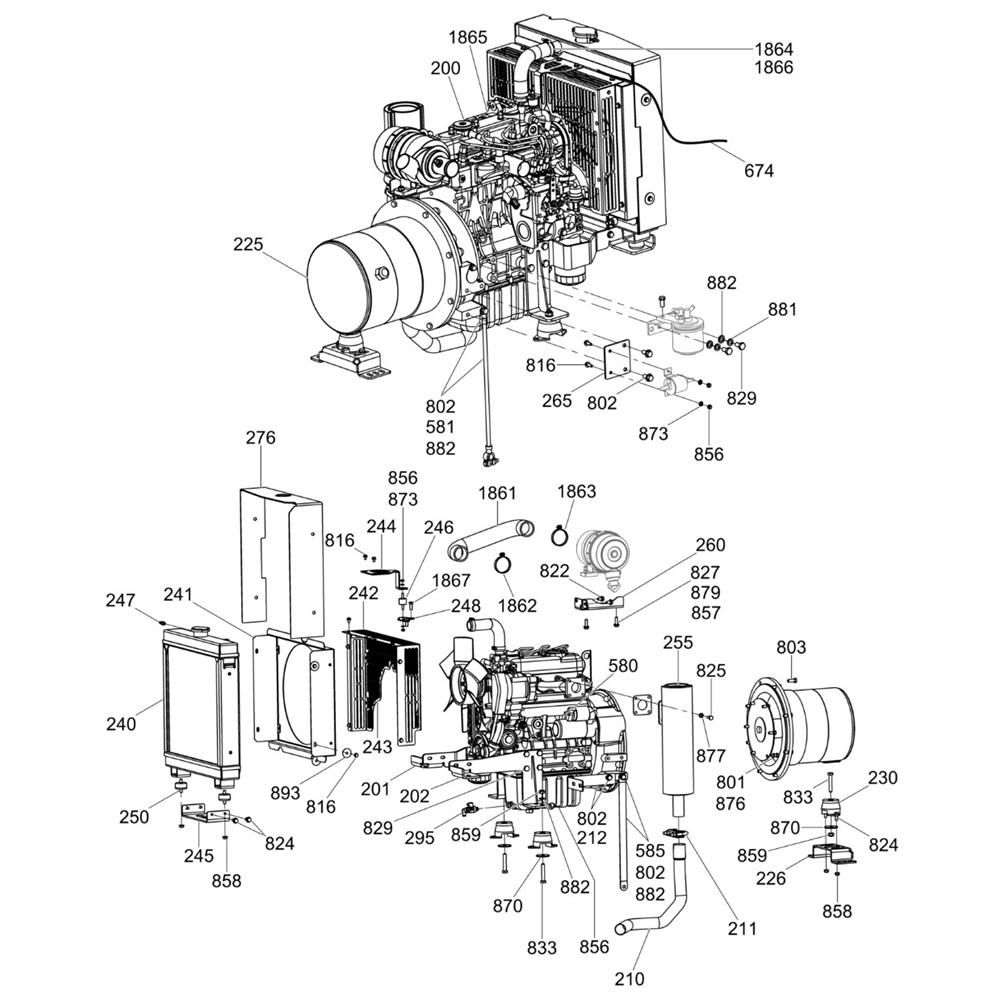
The Generator Assembly for the Wacker Neuson LTV8K Lighting Tower includes key components to ensure efficient power generation and reliable operation. This assembly is crucial for maintaining optimal lighting performance, providing consistent energy output. Components may include alternators, voltage regulators, and wiring harnesses, all designed to meet the specific requirements of the LTV8K model.
Reviews
Add a review
Write Your Own Review
Ask a Question
Customer Questions

