Description
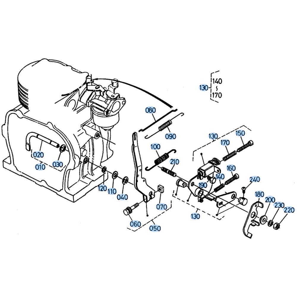
Governor Assembly for Kubota AT60 Tiller
Genuine Kubota Tiller Parts
Genuine Kubota Tiller Parts
Reviews
Add a review
Write Your Own Review
Ask a Question
Customer Questions

