Description
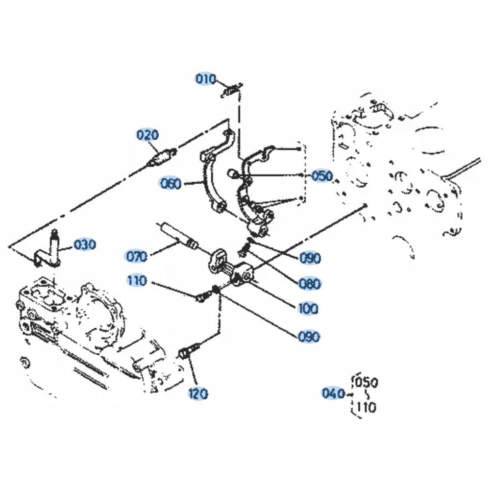
The Governor Assembly for the Kubota KH36 Mini Excavator is crucial for regulating engine speed and ensuring optimal performance. This assembly includes components such as levers, springs, and gears, which work together to maintain engine stability under varying loads. Designed for durability and precision, it helps extend the life of your excavator by ensuring smooth operation.
Reviews
Add a review
Write Your Own Review
Ask a Question
Customer Questions

