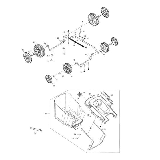
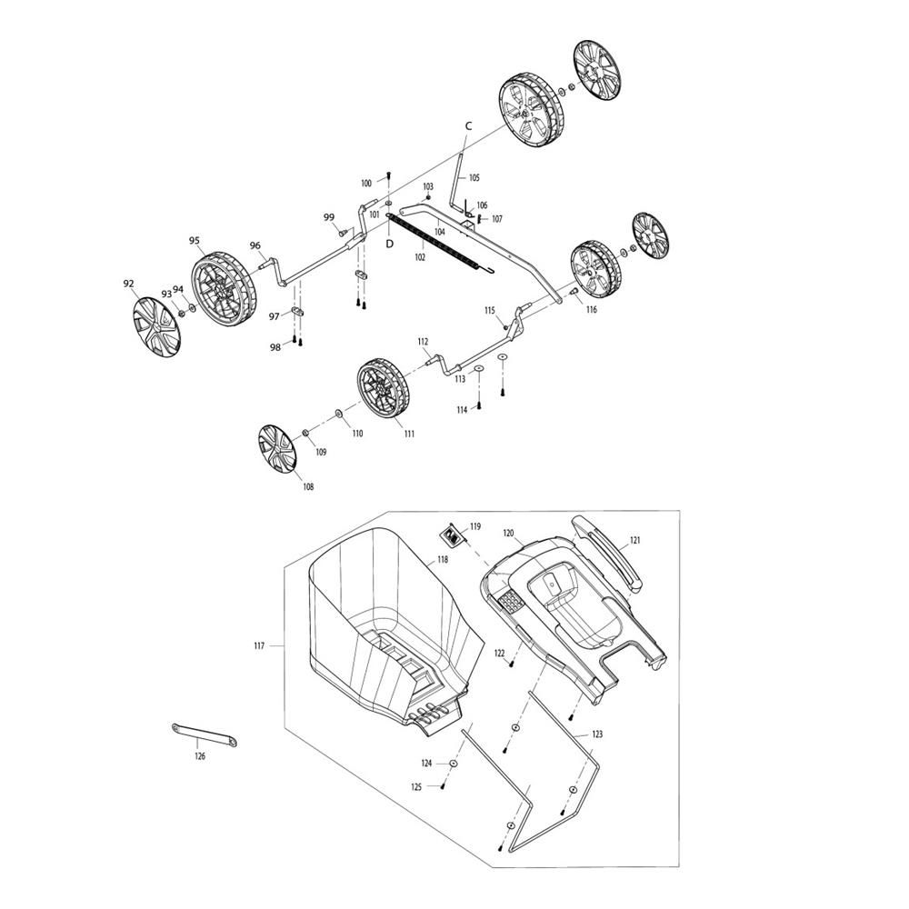
Description
The Grass Catcher and Wheel Assembly for the Makita ELM4120 Mower includes essential components to ensure efficient grass collection and smooth manoeuvrability. Designed for optimal performance, these genuine Makita parts help maintain the mower's functionality. Options are available for different sizes and configurations to suit various mowing needs.
Reviews
Add a review
Write Your Own Review
Ask a Question
Customer Questions

