Description
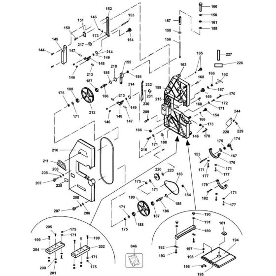
The Guide Assembly for the DeWalt DW738 Type 2 Bandsaw is a genuine DeWalt part designed to ensure precise cutting and smooth operation. This assembly includes components such as bearings, guides, and support brackets, which help maintain blade alignment and stability during use. Essential for routine maintenance, it enhances the performance and longevity of your bandsaw.
Reviews
Add a review
Write Your Own Review
Ask a Question
Customer Questions

