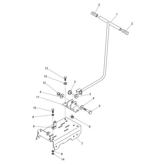
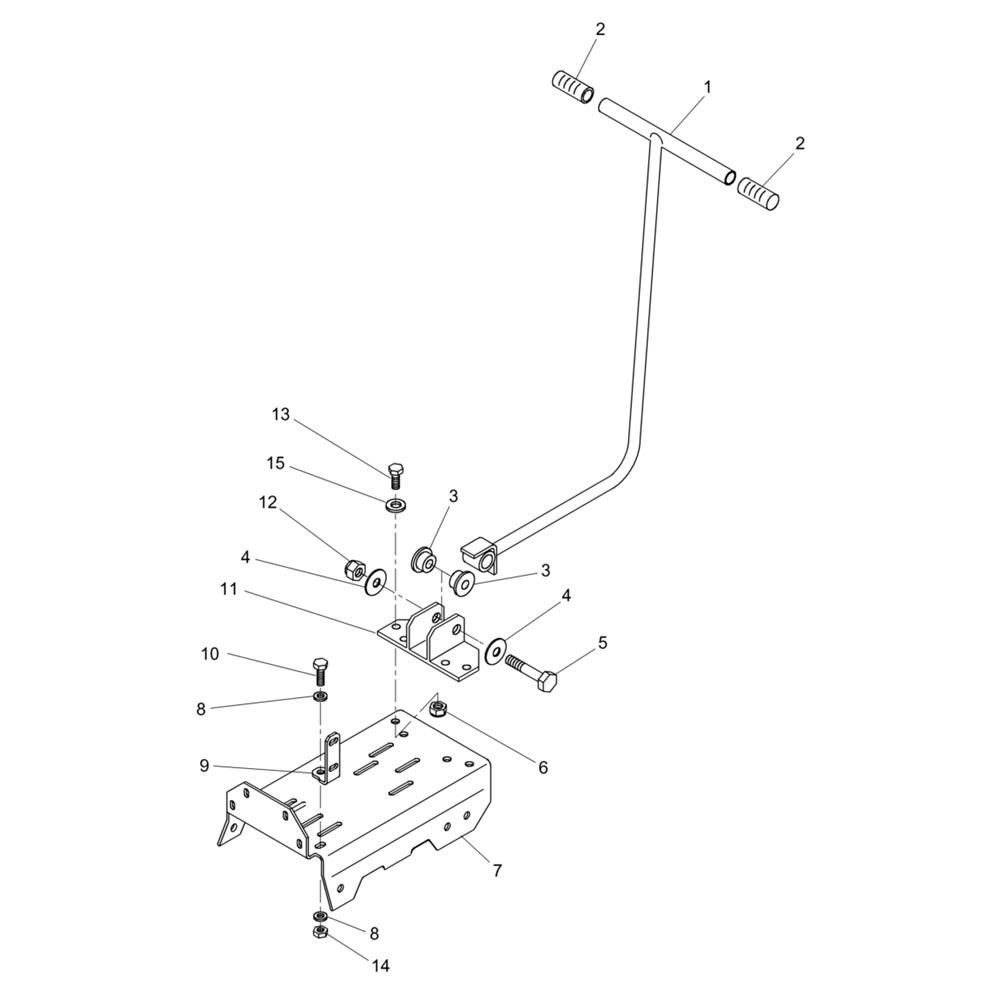
Description
The Guide Handle Assembly for the Wacker VPR1330 Compactor is essential for manoeuvring and controlling the machine effectively. It includes components designed to ensure stability and ease of use during operation. This assembly helps in maintaining the compactor's performance by providing a secure grip and reducing operator fatigue. Genuine Wacker Neuson parts ensure compatibility and durability.
Reviews
Add a review
Write Your Own Review
Ask a Question
Customer Questions

