Description
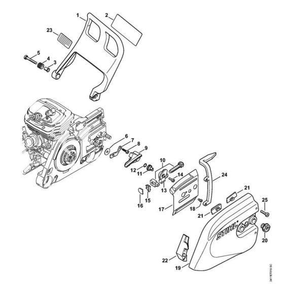
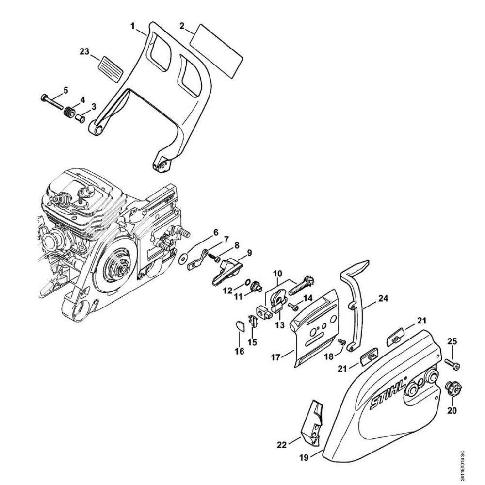
The hand guard and chain sprocket cover for the Stihl GS461 Concrete Cutter Chainsaw are essential components for safety and performance. The hand guard provides protection during operation, while the sprocket cover ensures the chain runs smoothly and efficiently. These genuine Stihl parts are designed to fit perfectly, maintaining the integrity and functionality of your chainsaw.
Reviews
Add a review
Write Your Own Review
Ask a Question
Customer Questions

