Description
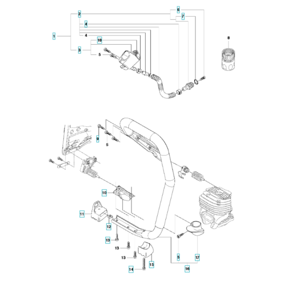
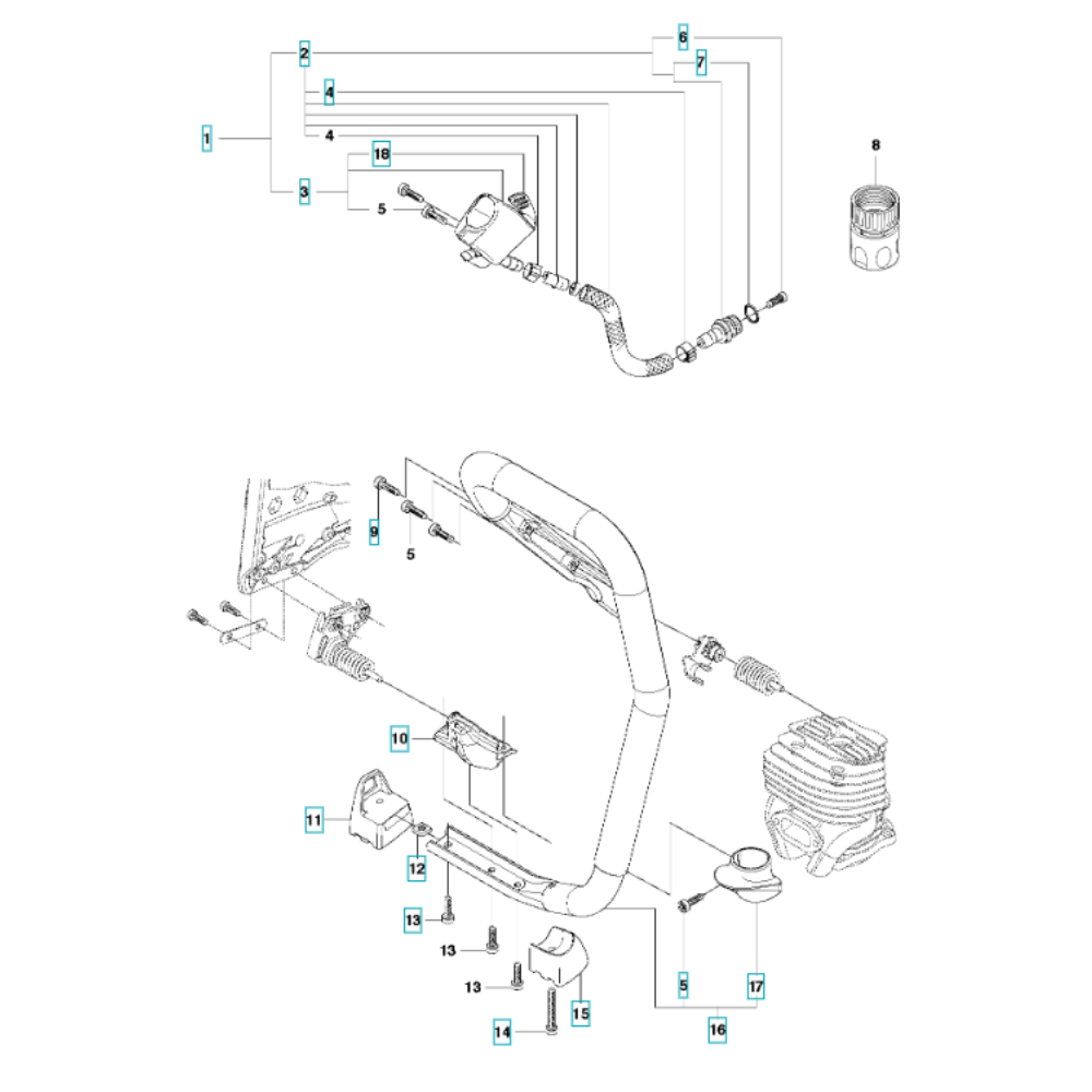
The Handle Assembly for the Husqvarna K760 Cut-n-Break II Disc Cutter is designed to ensure optimal control and comfort during operation. This assembly includes key components such as grips, levers, and brackets, essential for maintaining the cutter's performance and safety. Genuine Husqvarna parts ensure compatibility and durability.
Reviews
Add a review
Write Your Own Review
Ask a Question
Customer Questions

