Description
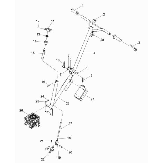
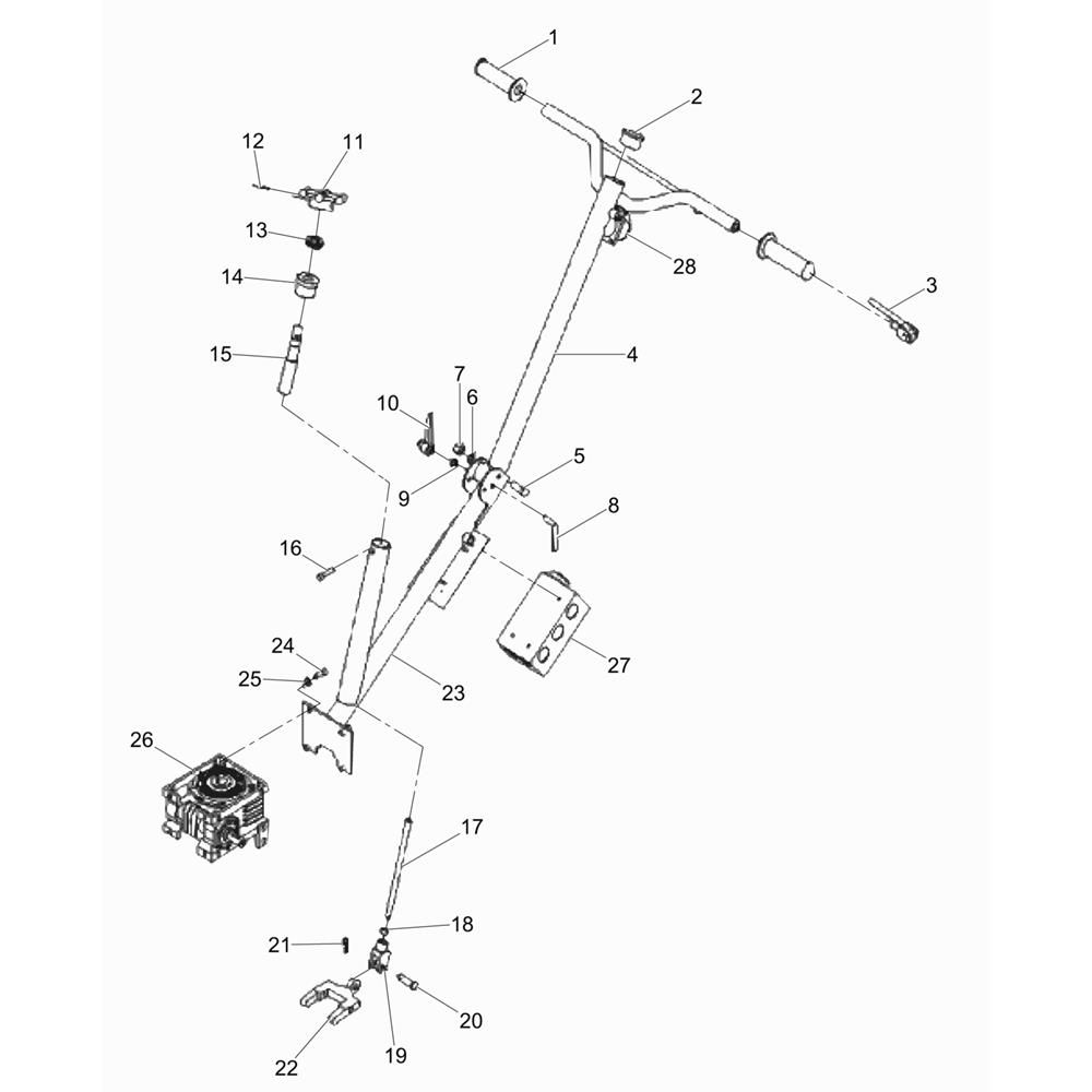
The Handle Assembly for the Wacker CT24-230E Trowel is designed to ensure optimal control and manoeuvrability during concrete finishing tasks. This assembly includes genuine Wacker Neuson parts, providing durability and reliability. Essential components such as grips, levers, and brackets are included to maintain the trowel's performance and ease of use.
Reviews
Add a review
Write Your Own Review
Ask a Question
Customer Questions

