Description
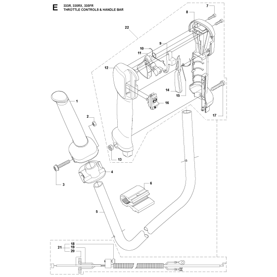
The Handle & Controls Assembly for the Husqvarna 335RX Brushcutter includes essential components to ensure optimal operation and user comfort. This assembly allows precise control and manoeuvrability, enhancing the efficiency of the brushcutter. Components such as grips, levers, and switches are available, offering both genuine and non-genuine options to suit various maintenance needs.
Reviews
Add a review
Write Your Own Review
Ask a Question
Customer Questions

