Description
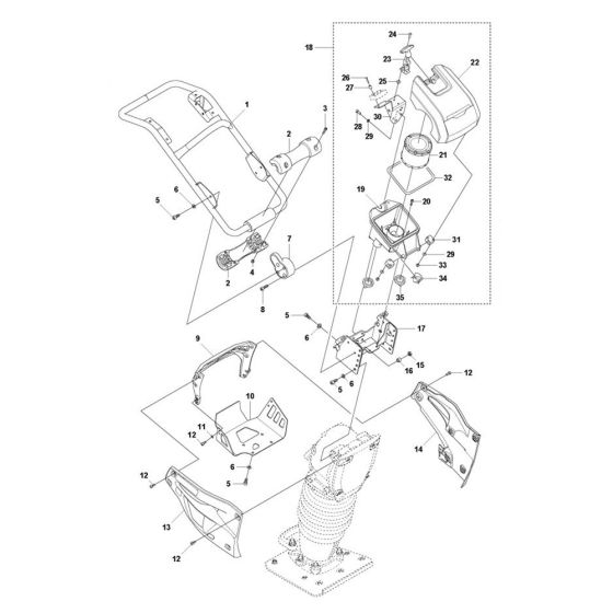
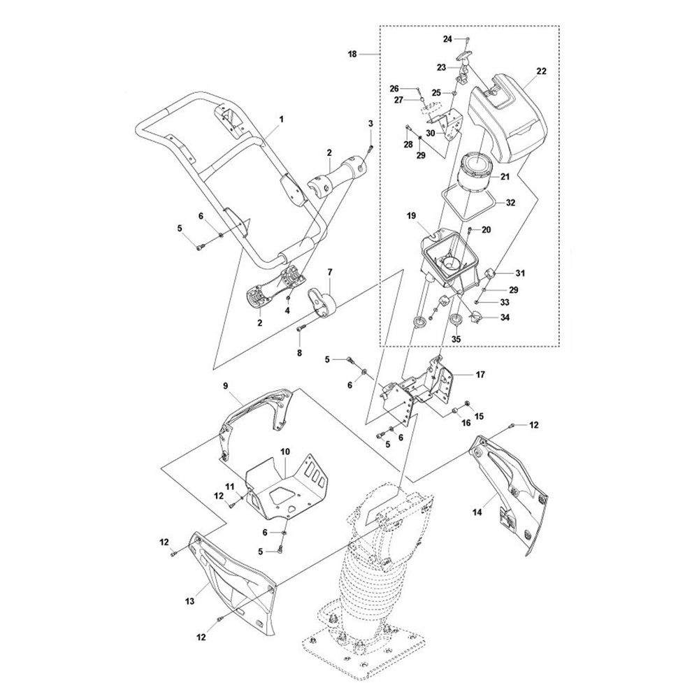
The Handle and Covers for the Husqvarna LT6005 Trench Rammer are essential for maintaining the machine's usability and protection. These genuine Husqvarna parts ensure the rammer remains easy to handle and shielded from external elements. Available in various configurations to suit different maintenance needs.
Reviews
Add a review
Write Your Own Review
Ask a Question
Customer Questions

