Description
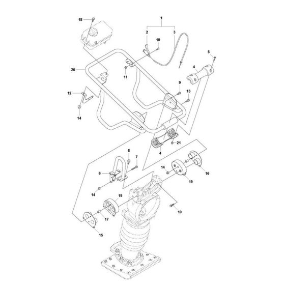
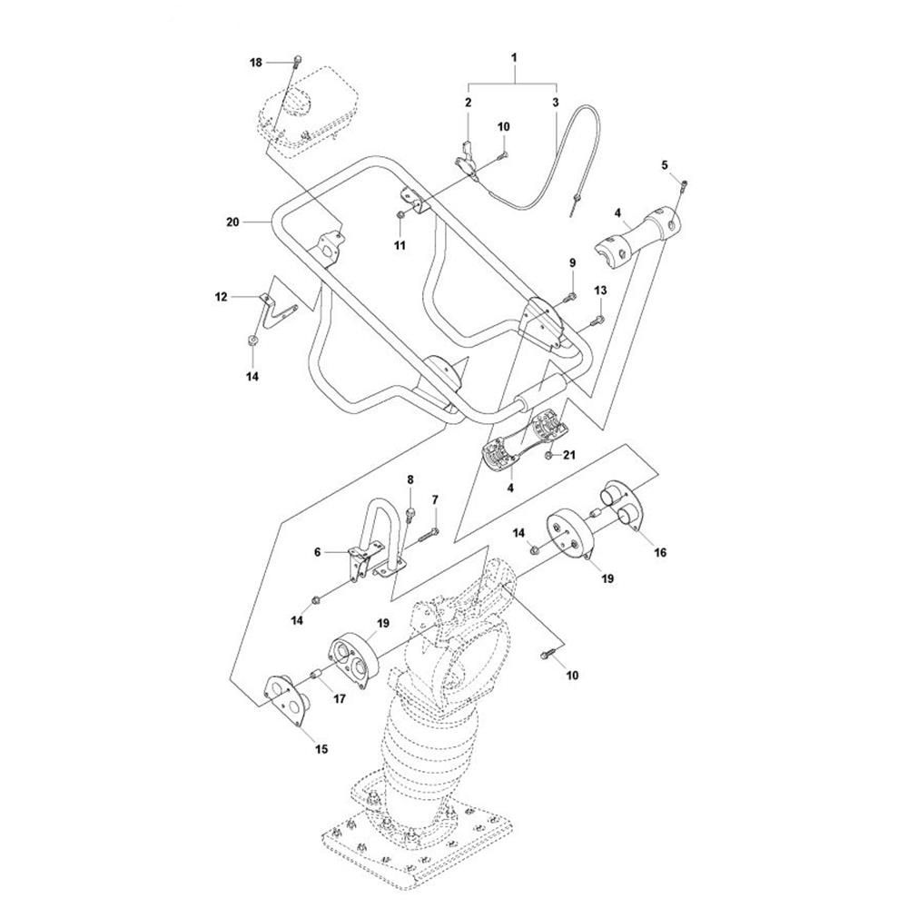
The handle for Husqvarna LT800 Trench Rammers is a genuine spare part designed to ensure optimal control and comfort during operation. This replacement handle is essential for maintaining the performance and safety of your trench rammer. Available in various configurations to suit different user needs and preferences.
Reviews
Add a review
Write Your Own Review
Ask a Question
Customer Questions

