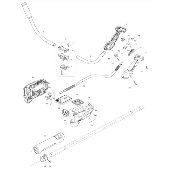
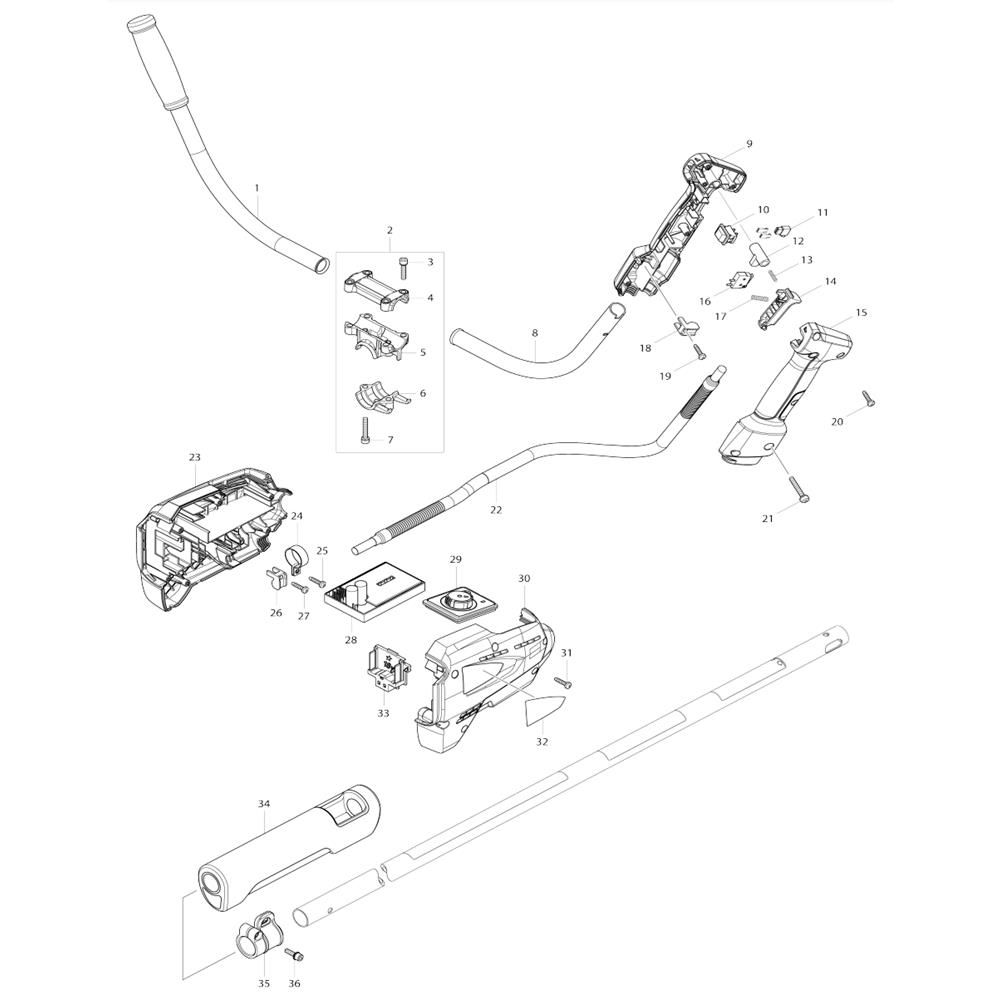
Description
The Handle, Lever Assembly for the Makita DUR182U Cordless Trimmer is designed to enhance control and precision during trimming tasks. This assembly includes components such as handles and levers, ensuring optimal performance and ease of use. It is essential for maintaining the trimmer's functionality and is available in various configurations to suit different needs.
Reviews
Add a review
Write Your Own Review
Ask a Question
Customer Questions

